| Sign In | Join Free | My disqueenfrance.com |
|
Brand Name : HILINK
Model Number : HL-SFW-F2X2
Certification : CE FCC Rohs
Place of Origin : China
MOQ : 1pcs
Price : Negotiable
Delivery Time : 1~4working days
condition : New
Wavelength : 1310nm/ 1550nm
Warranty : 3 years
Operating temperature : -20~+70
Voltage : 5V
Product Name : HL-SFW-F2X2
·Unmatched Low Cost
·Low insertion Loss
·High Channel Isolation
·High Stability, High Reliability
·Epoxy-free on Optical Path
·Latching or Non-latching
Applications
·Optical Network
·Protection/Restoration
·Optical Singnal Routing
·Configurable Optical Add/Drop
·Transmitter and receiver protection
·Network Test System
Performance:
| Parameters | Unit | TZ-FSW-2×2F | ||
| Wavelength Range | nm | 1260 ~ 1650 | ||
| Test Wavelength | nm | 1310 /1550 | ||
| Insertion Loss 1, 2 | dB | Type:0.7 | Max:1.1 | |
| Return Loss 1, 2 | dB | SM ≥ 50 | ||
| Crosstalk 1 | dB | SM ≥ 55 | ||
| PDL | dB | ≤0.05 | ||
| WDL | dB | ≤0.25 | ||
| Repeatability | dB | ≤±0.02 | ||
| Operating Voltage | V | 3.0 | or 5.0 | |
| Durability | Cycles | ≥ 10 Million | ||
| Switching Time | ms | ≤8 | ||
| Optical Power | mW | ≤500 | ||
| Operating Temperature | ℃ | -20 ~ +70 | ||
| Storage Temperature | ℃ | -40 ~ +85 | ||
| Relative Humidity | % | 5 ~ 95 | ||
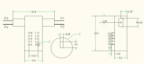
| Fiber Color | P1,P3 RED , P2,P4 Black | |||
| Dimension | mm | (L)28.3×(W)12.0×(H)8.5 ±0.2 or Customer design | ||
Note: 1 Within operating temperature and SOP.
2 Excluding Connectors.
Pins
| Type | State | Optical Route | Electric Drive | Status Sensor | ||||||
| 2×2F | Pin 1 | Pin 5 | Pin 6 | Pin 10 | Pin 2-3 | Pin 3-4 | Pin 7-8 | Pin 8-9 | ||
| Latching | A | P1-P4,P2-P3 | --- | --- | GND | V+ | Close | Open | Open | Close |
| B | P1-P3,P2-P4 | V+ | GND | --- | --- | Open | Close | Close | Open | |
| Non- | A | P1-P4,P2-P3 | --- | --- | --- | --- | Close | Open | Open | Colse |
| latching | ||||||||||
| B | P1-P3,P2-P4 | V+ | --- | --- | GND | Open | Close | Close | Open | |
Optical Route

Dimension

Product Photos


Our Company Information

OEM and ODM
OEM/ODM order is available
we can supply products according to your requirements, and design products label for your company.
Shipment
International Express: DHL, FedEx,EMS,TNT, UPS and so on. It takes 3-7 days.
Guarantee
We promise all the advertised optical transceivers are brand new with new components and parts and absolutely never use old and refurbished materials. All the optical transceivers have been through functional test and aging test. We provide 3 years warranty for all the optical transceivers from the date of shipment.
We supply all kinds of optical modules, if you can't find the product you need, just send us an inquiry, we'll reply you shortly.
|
|
Non Latching F2x2 Optical Fiber Switch SM 5V 1310nm 1550nm Wavelength New Condition Images |